
Unwavering in our dedication to customers and delivering cutting-edge innovations,Bepto stands as your steadfast ally on the journey ahead.
RZP5.025 High Voltage Embedded Pole Series: 40.5kV 1250A-2500A current range, 31.5kA breaking, ≤18μΩ-≤25μΩ resistance, 3600N force, high-voltage industrial solutions.

| Drawing No. | Specification | Match The Insulated Pull Rod | Match The Contact Arm Sleeve |
| RZP5.025a | EP40.5/2500-31.5 | RAP4.025a. 07 | RAP4.086a. 11 |
| RZP5.025b | EP40.5/2500-31.5 | RAP4.025a. 07 | RAP4.086a. 11 |

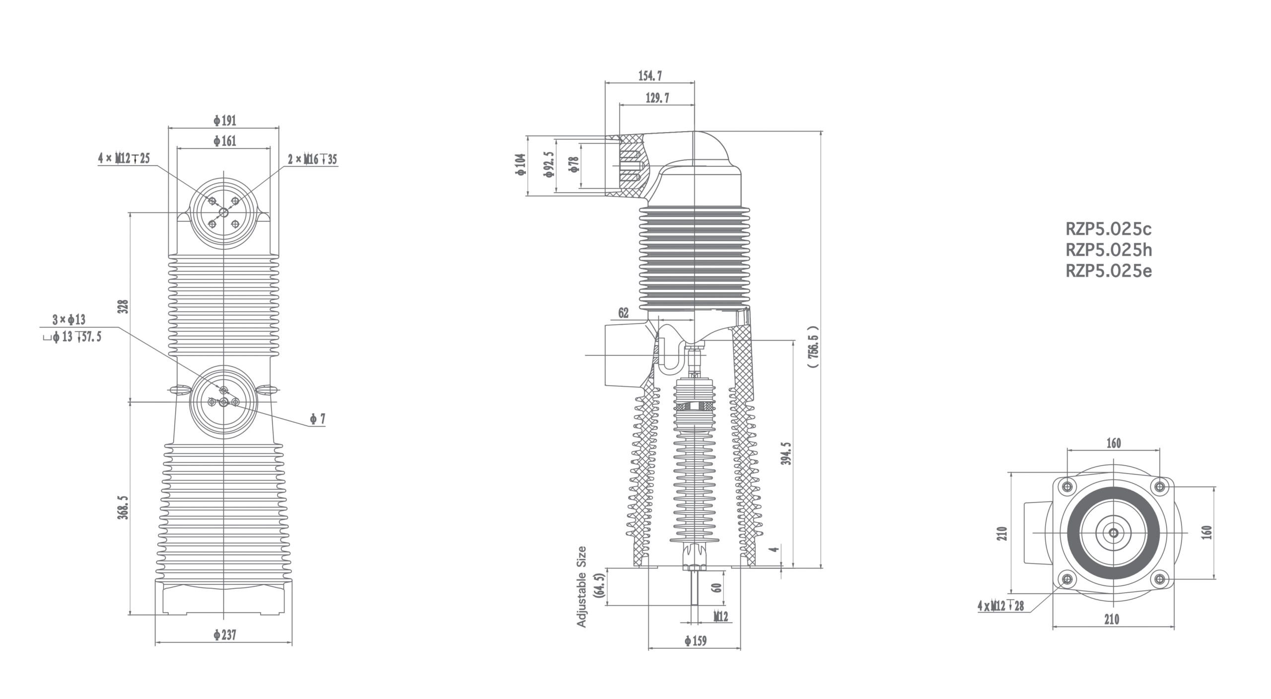
| Drawing No. | Specification | Match The Insulated Pull Rod | Match The Flexible Connection | Match The Contact Arm Sleeve |
| RZP5.025c | EP40.5/1600-31.5 | RAP4.025a. 07 | RAP4. 025c. 01 | RAP4. 086b. 11 |
| RZP5.025h | EP40.5/1250-31.5 | RAP4.025a. 07 | RAP4. 025h. 01 | RAP4. 086h. 11 |
| RZP5.025e | EP40.5/1250-25 | RAP4.025a. 07 | RAP4. 025h. 01 | RAP4. 086h. 11 |
| Main Technical Data | ||||||
| Technical Parameter | RZP5.025a | RZP5.025b | RZP5.025c | RZP5.025h | RZP5.025e | Unit |
| Rated voltage | 40.5 | 40.5 | 40.5 | 40.5 | 40.5 | kV |
| Rated current | 2500 | 2200 | 1600 | 1250 | 1250 | A |
| Rated frequency | 50 | 50 | 50 | 50 | 50 | Hz |
| Rated short-circuit breaking current | 31.5 | 31.5 | 31.5 | 31.5 | 25 | kA |
| Operations of short-circuit breaking current interruption | 30 | 30 | 30 | 30 | 30 | time |
| Rated short-circuit making current | 80 | 80 | 80 | 80 | 63 | kA |
| Rated peak withstand current | 80 | 80 | 80 | 80 | 63 | kA |
| Rated short-time withstand current (4s) | 31.5 | 31.5 | 31.5 | 31.5 | 25 | kA |
| Rated single capacitor bank breaking current | 630※ | 630※ | 630※ | 630※ | 630※ | A |
| Rated back-to-back capacitor breaking current | 400※ | 400※ | 400※ | 400※ | 400※ | A |
| Short-time (1min) power-frequency withstand voltage | 95 | 95 | 95 | 95 | 95 | kV |
| Lighting impulse withstand voltage (peak) | 185 | 185 | 185 | 185 | 185 | kV |
| Circuit resistance at rated contact force | ≤18 | ≤21 | ≤25 | ≤25 | ≤25 | μΩ |
| Mechanical life | 10,000 | 10,000 | 10,000 | 10,000 | 10,000 | time |
| Contact closing force due to bellows and atmosphere | 200±60 | 200±60 | 200±60 | 200±60 | 200±60 | N |
| Counterforce at rated contact stroke | 360±60 | 360±60 | 300±60 | 300±60 | 300±60 | N |
| Contact limit erosion | 3 | 3 | 3 | 3 | 3 | mm |
| Shelf life | 20 | 20 | 20 | 20 | 20 | year |
| Partial discharge | ≤1 | ≤1 | ≤1 | ≤1 | ≤1 | pC |
| Rated operating sequence | 0-0.3s-co-180s-co | 0-0.3s-co-180s-co | 0-0.3s-co-180s-co | 0-0.3s-co-180s-co | 0-0.3s-co-180s-co | – |
| Mechanical Data Of Circuit Equipped With Interrupters | ||||||
| Mechanical Parameter | RZP5.025a | RZP5.025b | RZP5.025c | RZP5.025h | RZP5.025e | Unit |
| Rated contact stroke | 20±1 | 20±1 | 20±1 | 20±1 | 20±1 | mm |
| Contact connection stroke | 5±1 | 5±1 | 5±1 | 5±1 | 5±1 | mm |
| Average opening speed | 1.7±0.2 | 1.7±0.2 | 1.7±0.2 | 1.7±0.2 | 1.7±0.2 | m/s |
| Average closing speed | 0.75±0.2 | 0.75±0.2 | 0.75±0.2 | 0.75±0.2 | 0.75±0.2 | m/s |
| Rated operation pressure of contact | 3600±300 | 3600±300 | 3600±300 | 3600±300 | 3600±300 | N |
| Bounce duration of contact closing | ≤3 | ≤3 | ≤3 | ≤3 | ≤3 | ms |
| Out of simultaneity of contact closing and opening | ≤1 | ≤1 | ≤1 | ≤1 | ≤1 | ms |
| Max. overtravel | ≤2 | ≤2 | ≤2 | ≤2 | ≤2 | mm |
“※”Rated characteristics to be given on requeset
Bepto is a leading Chinese company in electrical insulation, focused on developing advanced solutions for future power systems. We support transmission and distribution safety and growth, with long-term partners including State Grid, ABB, Schneider, Siemens, and GE. Our services reach clients in over 22 countries.

ceshi2ceshi2ceshi2ceshi2ceshi2

ceshiceshiceshiceshiceshiceshiceshiceshiceshiceshiceshiceshiceshiceshiceshiceshiceshiceshiceshiceshiceshi
Bepto focuses on the global market and provides our clients with products suitable for the local market:
Unwavering in our dedication to customers and delivering cutting-edge innovations,Bepto stands as your steadfast ally on the journey ahead.