
Unwavering in our dedication to customers and delivering cutting-edge innovations,Bepto stands as your steadfast ally on the journey ahead.
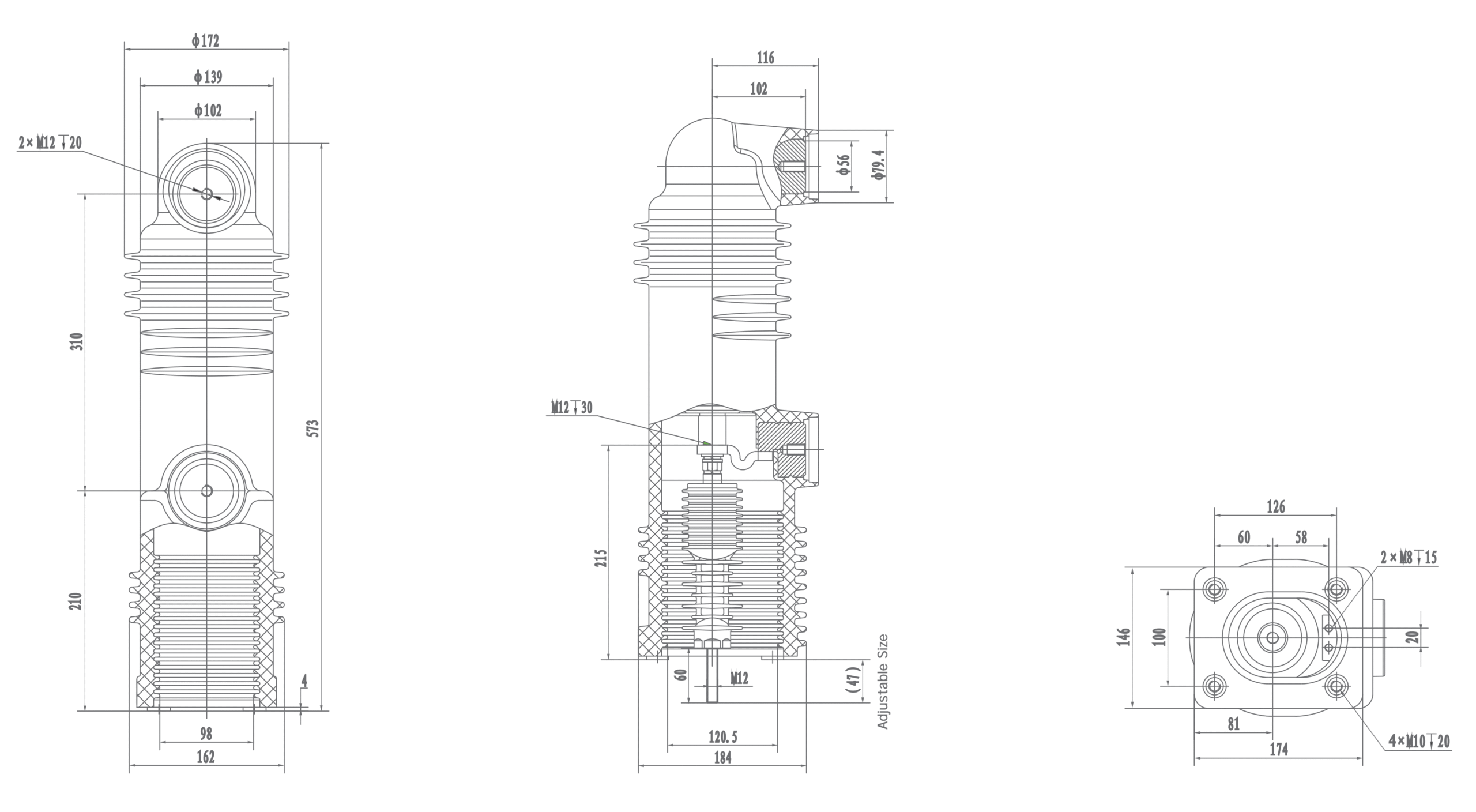
RZP5.050a Enhanced Breaking Embedded Pole: 24kV heavy-duty, 31.5kA enhanced breaking current, 80kA peak withstand, 120N contact force, industrial reliability.

| Drawing No. | Specification | Match The Insulated Pull Rod | Match The Radiation Frame |
| RZP5.050a | EP24/1250-31.5 | RAP4.028c. 05 | RAP4.047a.01 |
| Main Technical Data | ||
| Data | Value | Unit |
| Rated voltage | 24 | kV |
| Rated current | 1250 | A |
| Rated frequency | 50 | Hz |
| Rated short-circuit breaking current | 31.5 | kA |
| Operations of short-circuit breaking current interruption | 30 | time |
| Rated short-circuit making current | 80 | kA |
| Rated peak withstand current | 80 | kA |
| Rated short-time withstand current(4s) | 31.5 | kA |
| Rated single capacitor bank breaking current | 630※ | A |
| Rated back-to-back capacitor breaking current | 400※ | A |
| Short-time(1min) power-frequency withstand voltage | 65 | kV |
| Lighting impulse withstand voltage(peak) | 125 | kV |
| Circuit resistance at rated contact force | ≤25 | μΩ |
| Mechanical life | 10,000 | time |
| Contact closing force due to bellows and atmosphere | 120±30 | N |
| Counterforve at rated contact stroke | 200±50 | N |
| Contact limit erosion | 3 | mm |
| Shelf life | 20 | year |
| Partial discharge | ≤1 | pC |
| Rated operating sequence | 0-0.3s-co-180s-co | |
| Mechanical Data Of Circuit Equipped With Interrupters | ||
| Data | Value | Unit |
| Rated contact stroke | 12±1 | mm |
| Contact connection stroke | 3±1 | mm |
| Average opening speed | 1.1~1.7 | m/s |
| Average closing speed | 0.8~1.2 | m/s |
| Rated operation pressure of contact | 2400±200 | N |
| Bounce duration of contact closing | ≤2 | ms |
| Out of simultaneity of contact closing and opening | ≤1 | ms |
| Max. overtravel | ≤2 | mm |
“※”Rated characteristics to be given on requeset
Bepto is a leading Chinese company in electrical insulation, focused on developing advanced solutions for future power systems. We support transmission and distribution safety and growth, with long-term partners including State Grid, ABB, Schneider, Siemens, and GE. Our services reach clients in over 22 countries.

ceshi2ceshi2ceshi2ceshi2ceshi2

ceshiceshiceshiceshiceshiceshiceshiceshiceshiceshiceshiceshiceshiceshiceshiceshiceshiceshiceshiceshiceshi
Bepto focuses on the global market and provides our clients with products suitable for the local market:
Unwavering in our dedication to customers and delivering cutting-edge innovations,Bepto stands as your steadfast ally on the journey ahead.