
Unwavering in our dedication to customers and delivering cutting-edge innovations,Bepto stands as your steadfast ally on the journey ahead.
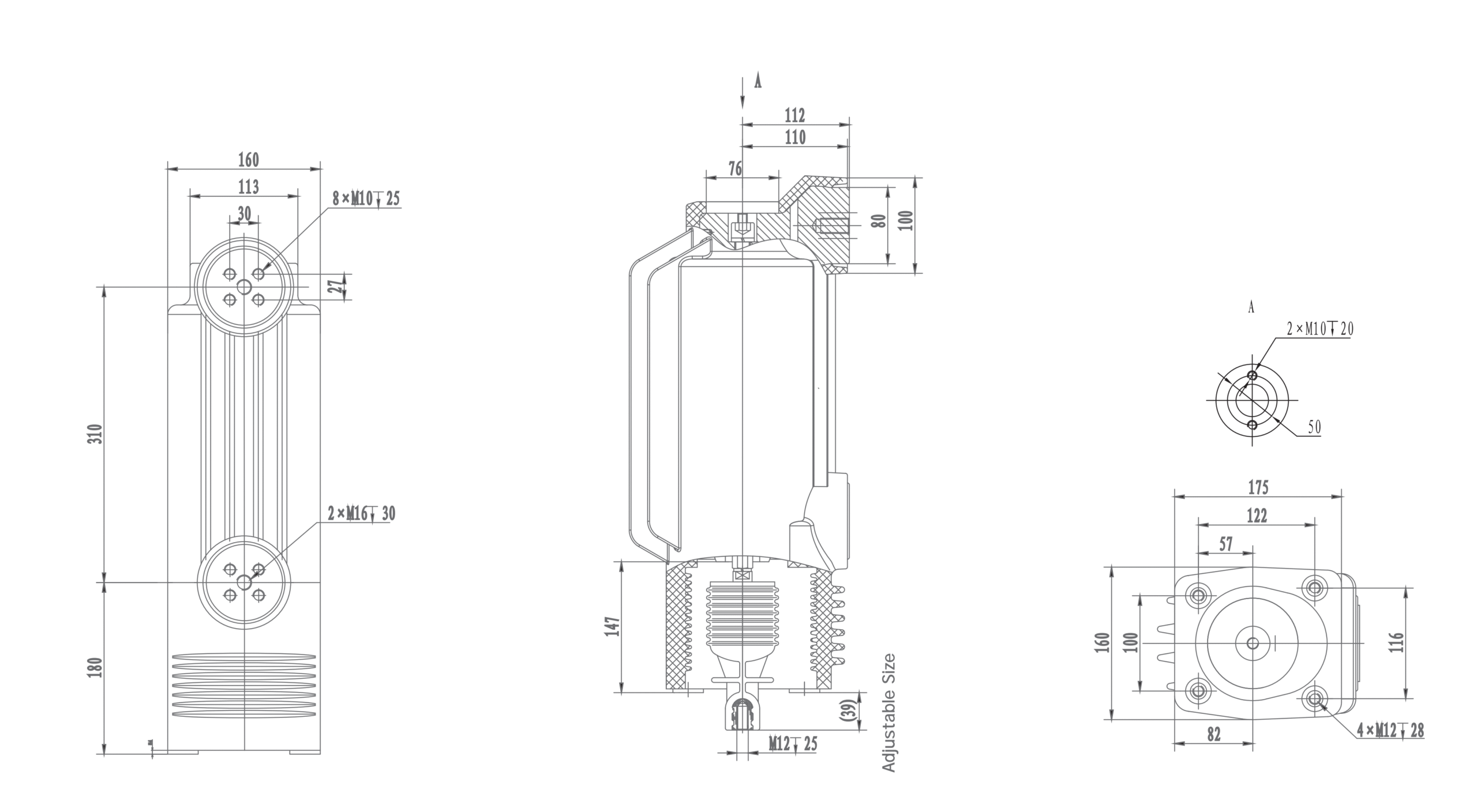
Bepto RZP5.076c/d 12kV Embedded Pole: 3150A/4000A dual current ratings, enhanced 50kA breaking capacity, 125kA peak withstand, ≤15μΩ ultra-low resistance.

| Drawing No. | Specification | Match The Insulated Pull Rod | Match The Flexible Connection | Match The Contact Arm Sleeve |
| RZP5.076c | EP 12/ 3150-50 | RAP4.110h. 05 | RAP4.026c. 02 | RAP4.110b.11 |
| RZP5.076d | EP 12/ 4000- 50 | RAP4.110h. 05 | RAP4.026c. 02 | RAP4.110a.11 |
| Main Technical Data | |||
| Data | Value | Unit | |
| Rated voltage | 12 | kV | |
| Rated current | 3150 | 4000 | A |
| Rated frequency | 50 | Hz | |
| Rated short-circuit breaking current | 50 | kA | |
| Operations of short-circuit breaking current interruption | 30 | time | |
| Rated short-circuit making current | 125 | kA | |
| Rated peak withstand current | 125 | kA | |
| Rated short-time withstand current(4s) | 50 | kA | |
| Rated single capacitor bank breaking current | 630 ※ | A | |
| Rated back-to-back capacitor breaking current | 400 ※ | A | |
| Short-time(1min) power-frequency withstand voltage | 48 | kV | |
| Lighting impulse withstand voltage(peak) | 75 | kV | |
| Circuit resistance at rated contact force | ≤15 | μΩ | |
| Mechanical life | 30,000 | time | |
| Contact closing force due to bellows and atmosphere | 250±60 | N | |
| Counterforve at rated contact stroke | 360±60 | N | |
| Contact limit erosion | 3 | mm | |
| Shelf life | 20 | year | |
| partial discharge | ≤1 | pC | |
| Rated operating sequence | 0-0.3s-co-180s-co | ||
| Mechanical Data Of Circuit Equipped With Interrupters | ||
| Data | Value | Unit |
| Rated contact stroke | 9±1 | mm |
| Contact connection stroke | 3±1 | mm |
| Average opening speed | 0.9~1.3 | m/s |
| Average closing speed | 0.4~0.8 | m/s |
| Rated operation pressure of contact | 5000±300 | N |
| Bounce duration of contact closing | ≤2 | ms |
| Out of simultaneity of contact closing and opening | ≤1 | ms |
| Max. overtravel | ≤2 | mm |
“※”Rated characteristics to be given on requeset
Bepto is a leading Chinese company in electrical insulation, focused on developing advanced solutions for future power systems. We support transmission and distribution safety and growth, with long-term partners including State Grid, ABB, Schneider, Siemens, and GE. Our services reach clients in over 22 countries.

ceshi2ceshi2ceshi2ceshi2ceshi2

ceshiceshiceshiceshiceshiceshiceshiceshiceshiceshiceshiceshiceshiceshiceshiceshiceshiceshiceshiceshiceshi
Bepto focuses on the global market and provides our clients with products suitable for the local market:
Unwavering in our dedication to customers and delivering cutting-edge innovations,Bepto stands as your steadfast ally on the journey ahead.