
Unwavering in our dedication to customers and delivering cutting-edge innovations,Bepto stands as your steadfast ally on the journey ahead.
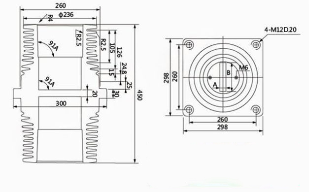
TG3-35KV/260×260×450 35KV Wall Bushing with Shielding: 260×260×450mm high-voltage design, 3150-5000A powerful capacity, enhanced electromagnetic shielding, extreme conditions reliable, IP68 protection.

| Number of Busbars Passable | Single Busbar | Single Busbar/Double Busbar | Single Busbar/Double Busbar |
| A | 20 | 20 | 20 |
| B | 70 | 90 | 110 |
| Type | TG3-35KV/260×260×450(With Shielding) |
| Rated Voltage | 35kV |
| Rated Current | 3150A ~ 5000A |
| Power Frequency Withstand Voltage | 85kV/1min |
| Lightning Impulse Withstand Voltage | 185kV |
| Material | Epoxy Resin + Copper Shielding Layer + Silicone Rubber Composite Insulation |
| Protection Rating | IP68 |
| Installation Dimensions | 260×260×450 mm (Outer Diameter × Length × Overall Height) |
| Applicable Temperature Range | -40℃ ~ +90℃ |
Bepto is a leading Chinese company in electrical insulation, focused on developing advanced solutions for future power systems. We support transmission and distribution safety and growth, with long-term partners including State Grid, ABB, Schneider, Siemens, and GE. Our services reach clients in over 22 countries.

ceshi2ceshi2ceshi2ceshi2ceshi2

ceshiceshiceshiceshiceshiceshiceshiceshiceshiceshiceshiceshiceshiceshiceshiceshiceshiceshiceshiceshiceshi
Bepto focuses on the global market and provides our clients with products suitable for the local market:
Unwavering in our dedication to customers and delivering cutting-edge innovations,Bepto stands as your steadfast ally on the journey ahead.